Машиностроительная доска объявлений
Продам:
Материал Оцинкованная сталь
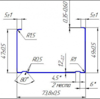
Ширина заготовки По чертежам
Скорость производства 30 m/min
Кол-во рабочих клетей 12 клетей + 12 клетей
Материал ролики Cr12
Диаметр валы ¢ 55 мм (грунт термообработки стали № 45)
Материал валы 45#
Материал ножа CR12
Питание 380 V 50/60 HZ
Мощность двигателя 4KW+4KW
Мощность насос 4KW+4KW
Технология производства и состав линии:
Процесс технологии производства: Рулон материала – размотка – профилирование – устройство для штампования отверстия – резка – готовый профиль
Цена линии: 151000 юаней без доставки
Чэндуский машиностроительный завод “Цзинь Бинь” всеми силами предоставить вам качественные оборудования по низкой цене. У нас многолетний опыт и наш завод является одной из самых динамично развивающихся компаний-производителей и поставщиков качественного оборудования и материалов для строительства и отделки прямо из Китая.
Конттактное лицо: Алина
Эле. почта:lgh888@stroy999.ru
Wechat: +8615760355977
WhatsApp: +8615760355977
Сайт: www.prof777.ru
Адрес: КНР, г.Чэнду, проспект Цзинь Фэн,№6
Изображения объявления
Оборудование для производства профилей для гипсокартона КНАУФ модель 6
Толщина металла 0.35-0.7mmМатериал Оцинкованная сталь
Ширина заготовки По чертежам
Скорость производства 30 m/min
Кол-во рабочих клетей 12 клетей + 12 клетей
Материал ролики Cr12
Диаметр валы ¢ 55 мм (грунт термообработки стали № 45)
Материал валы 45#
Материал ножа CR12
Питание 380 V 50/60 HZ
Мощность двигателя 4KW+4KW
Мощность насос 4KW+4KW
Технология производства и состав линии:
Процесс технологии производства: Рулон материала – размотка – профилирование – устройство для штампования отверстия – резка – готовый профиль
Цена линии: 151000 юаней без доставки
Чэндуский машиностроительный завод “Цзинь Бинь” всеми силами предоставить вам качественные оборудования по низкой цене. У нас многолетний опыт и наш завод является одной из самых динамично развивающихся компаний-производителей и поставщиков качественного оборудования и материалов для строительства и отделки прямо из Китая.
Конттактное лицо: Алина
Эле. почта:lgh888@stroy999.ru
Wechat: +8615760355977
WhatsApp: +8615760355977
Сайт: www.prof777.ru
Адрес: КНР, г.Чэнду, проспект Цзинь Фэн,№6
Контактная информация
| Телефон: | 8615760355977 |
| При контакте с компанией сообщите что Вы с портала МашПорт.ru | |
| Email: | Отправить сообщение |
| Web: | |
| Учетная запись: | ООО ЦП | |
Изображения объявления
Объяление просмотрено 183 раз
Объявление добавлено 27.03.26 и действует до 25.06.26